Understanding I/O on ControlByWeb Modules
ControlByWeb modules are built around reliable and versatile I/O (Input/Output) channels, designed to bring remote monitoring and automation to virtually any industrial, commercial, or utility application. Here’s what you should understand about I/O before choosing a device.
I/O Types Explained
RELAYS
Many ControlByWeb 400 Series modules include internal relays, which are electrically operated switches that let you control external devices like lights, pumps, fans, and more. These relays provide a simple and effective way to automate control based on sensor inputs, time schedules, or custom logic.
The internal relays on our devices can be used to operate indicator lights, interposer relays connected to larger electrical loads, and other low-voltage devices.
Wiring Connections
Terminal Connections
The relay contacts are isolated from all other circuits on the module. The screw terminals are internally connected directly to the relays with no internal fuse or other over-current protection.
The types of terminals you’ll see in one of our devices are:
- Common (C)
- Normally-Closed (NC)
- Normally-Open (NO)

Types of Relays on ControlByWeb Modules
Several modules have internal relays. The relays vary in size and configuration. Some modules share Common terminal connections between relays with the contacts internally connected together, and some modules have contacts that are completely isolated – with a separate NO, NC and C terminals for each relay on the module.


Connecting Large Electrical Loads
For loads greater than a relay’s specifications, an external interposer relay should be used.
The illustration below shows how a 15-Amp motor can be controlled using an external relay. In the example, the X-410’s 1-Amp relay controls the external relay, and the external relay controls the 15-Amp load.

Controlling a Relay contact with ControlByWeb Modules
On our modules, you can control the relays with the built-in web browser interface and configure them to turn on/off/pulse based on conditions like time intervals, status of analog or digital sensors, timers or other programmable logic.

Common Relay Applications
View specific relay electrical specifications and features.
DIGITAL INPUTS
Several ControlByWeb modules have digital (or discrete) inputs. Digital inputs are binary with on/off states where the presence of an input voltage is “on” and the absence of a voltage is “off”, making them ideal for monitoring door contacts, push buttons, alarm relays, and other binary devices.
Each digital input can measure the total-on time since power up, the total-on time since the input was last off, count the number of rising/falling edges, or act as a low frequency input. Digital inputs can be monitored and used to control logic.
Wiring Connections
The terminals for digital inputs vary slightly between models, but most include:
- Input terminal(s)
- Ground (GND)
- (Optional) Pull-up resistor setting

Digital inputs on most 400 Series modules are optically isolated, helping to protect the internal electronics from voltage spikes or grounding issues. Some (like the X-420) use non-isolated inputs with shared ground for compact designs.
Electronically and Optically Isolated
Each digital input monitors the voltage across two terminals:
- Input+
- Input–
When the voltage between these terminals rises above a threshold (typically >3.5V), the input registers as ON. Below ~1.5V, it registers as OFF. Anything between is treated as undefined.
On most ControlByWeb modules (like the WebRelay, X-408, and X-12s), the input circuits are optically isolated, which protects the system from surges, ground loops, and noisy field signals.
Detecting Input States
Digital inputs are monitored through the built-in web interface, which clearly displays each input’s ON/OFF state. You can also configure digital inputs to trigger actions, such as:
- Turning on a relay
- Sending email or text alerts
- Logging events
- Triggering conditional logic with timers or sensor values

Common Digital Input Applications
View specific digital input specifications and features.
ANALOG INPUTS
These measure variable signals such as temperature, voltage, current, or pressure. Perfect for integrating with 0-5VDC, 0-10VDC, 4-20m sensors such as pressure transducers, current transducers, or any other sensor with an appropriate analog signals that can be read by ControlByWeb analog inputs.
Wiring Connections
Each analog input channel can be configured as single-ended, differential, or 4–20mA current loop. Wiring varies slightly by module, but most analog-capable devices include:
- AINx+ – Positive signal input
- AINx− – Negative signal input (for differential mode)
- AGND – Analog ground
- Vref – Optional 5V excitation voltage

Input Modes
1. Single-Ended Mode
- Measures voltage between AINx+ and AGND
- Ideal for sensors with one output line referenced to ground
- Configurable ranges: ±1.28V, ±2.56V, ±5.12V, ±10.24V
2. 4–20mA Mode
- Enables internal precision 200Ω shunt resistor
- Automatically scales A/D to ±5V
- No external resistor needed
- Perfect for industrial current-loop sensors (e.g., pressure, flow, distance)

3. Differential Mode
- Measures voltage difference between two analog inputs
- Great for sensors with two signal outputs (like Wheatstone bridges)
- Supports up to ±20.48V differential, with absolute input limits of ±10V
- Requires a shared ground connection to maintain common mode range

Configuration & Scaling
Analog channels are configured in the web interface, where you can:
- Choose voltage range or current mode per channel
- Enter slope and offset to convert raw data to meaningful units (e.g., °C, psi, ft, etc.)
- View real-time readings
- Set conditions for triggering relays or alerts
Example: To measure 0–20 Amps with a transducer outputting 0–5V: Slope = (20 Amps – 0 Amps) ÷ (5V – 0V) = 4 Amps/V
Common Analog Input Applications
View specific analog input specifications and features.
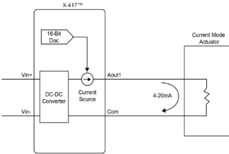
ANALOG OUTPUTS – (X-417 ONLY)
Analog Outputs are used to send precise voltage or current signals to external equipment like actuators, variable frequency drives (VFDs), damper motors, or PLCs.
Wiring Connections
Analog output wiring is straightforward and requires two terminals per channel:
- AoutX – The voltage or current output
- COM – Analog Ground (isolated from power ground)
However, ensure that output wiring and load resistance are within limits:
- Max voltage output current: 10mA
- Max resistance for 4-20mA loop: 575Ω (based on 11.5V output headroom)

Built-in Scaling and Control
The X-417 includes an internal digital-to-analog converter (DAC) that automatically converts user-defined values to output signals. This means:
- You enter values in real-world units (e.g., 0–100%)
- The X-417 calculates and outputs the corresponding voltage or current
- You can bypass scaling if you prefer to control via raw Modbus values from a PLC
You can also:
- Control outputs manually from the web interface
- Use logic or tasks to automate changes
- Set output values via Modbus/TCP or SNMP
Common Analog Output Applications

Center Pivot Irrigation
Control valves, pump speeds, or other agricultural automation components.
View specific analog output specifications and features.
1-WIRE BUS (TEMPERATURE/HUMIDITY)
The 1-Wire bus is a simple and efficient way to connect ControlByWeb modules to digital temperature and humidity sensors. It allows multiple sensors to communicate over a single data line, making it ideal for environmental monitoring in commercial and industrial settings.
Wiring Connections
A 1-Wire bus requires three connections:
- +5V (Power)
- GND – (Ground)
- DATA – (Shared signal line)
Multiple sensors can be daisy-chained along the same bus.
Each sensor has a unique ID, and the connected 400 Series module automatically detects each one in the on-board interface.

Monitoring & Control
Sensor data is visible directly in the module’s web interface and can also be:
- Scaled
- Logged over time
- Used to trigger relays, digital outputs, or alerts
Accessed via Modbus, SNMP, or HTTP for third-party integration
This information can then be used in the Task Builder with scheduled, conditional, or advanced logic to automate climate control systems or fan/heater activation.

Common Temperature/Humidity Applications

Freezer Monitoring
Monitor changes in temperature and avoid any false alarms in fridges/freezers.
View specific 1-wire bus specifications and features.
View All ControlByWeb Products
See all industrial controllers with their various I/O combinations and features.
















